【例1】使用刀具半徑補償功能完成如圖9-1所示輪廓加工的編程。
圖9-1 刀具半徑補償過程
參考程序如下:
O5001
N10 G90 G54 G00 X0 Y0 M03 S500
N20 G00 Z50.0 安全高度
N30 Z10 參考高度
N40 G41 X20 Y10 D01 建立刀具半徑補償
N50 G01 Z-10 F50 下刀
N60 Y50
N70 X50
N80 Y20
N90 X10
N100 G00 Z50 抬刀到安全高度
N110 G40 X0 Y0 M05 取消刀具半徑補償
N120 M30 程序結束
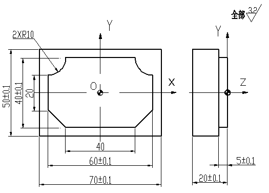
【例2】加工如圖9-2所示零件凸臺外輪廓,毛坯為70mm×50mm×20mm長方塊(其余面已經加工),材料為45鋼,單件生產。

任務實施的具體方法及步驟
加工工藝的確定
1.分析零件圖樣
零件輪廓由直線和圓弧組成,尺寸精度約為IT11,表面粗糙度全部為Ra3.2μm,沒有形位公差項目的要求,整體加工要求不高。
2.工藝分析
1)加工方案的確定
根據圖樣加工要求,采用立銑刀粗銑→精銑完成。
2)確定裝夾方案
該零件為單件生產,且零件外型為長方體,可選用平口虎鉗裝夾。工件上表面高出鉗口8mm左右。
3)確定加工工藝
加工工藝見表9-1。
表9-1 數控加工工序卡
數控加工工藝卡片 | 產品名稱 | 零件名稱 | 材 料 | 零件圖號 | |||||||
45鋼 | |||||||||||
工序號 | 程序編號 | 夾具名稱 | 夾具編號 | 使用設備 | 車 間 | ||||||
虎鉗 | |||||||||||
工步號 | 工 步 內 容 | 刀具號 | 主軸轉速 /(r/min) | 進給速度 /(mm/min) | 背吃刀量 /mm | 側吃刀量 /mm | 備注 | ||||
1 | 粗銑外輪廓 | T01 | 500 | 120 | 4.8 | ||||||
2 | 精銑外輪廓 | T01 | 600 | 90 | 5 | 0.3 | |||||
4)進給路線的確定
在數控加工中,刀具刀位點相對于工件運動的軌跡稱為加工路線。為了保證表面質量,進給路線采用順銑和圓弧進退刀方式,采用子程序對零件進行粗、精加工,該零件進給路線如圖所示。

加工路線圖
5)刀具及切削參數的確定(表格)
刀具及切削參數見表。
數控加工刀具卡
數控加工 刀具卡片 | 工序號 | 程序編號 | 產品名稱 | 零件名稱 | 材 料 | 零件圖號 | |||||||
45 | |||||||||||||
序號 | 刀具號 | 刀具名稱 | 刀具規格/mm | 補償值/mm | 刀補號 | 備注 | |||||||
直徑 | 長度 | 半徑 | 長度 | 半徑 | 長度 | ||||||||
1 | T01 | 立銑刀(3齒) | ¢16 | 實測 | 8.3 8 | D01 D02 | 高速鋼 | ||||||
參考程序編制
1.工件坐標系的建立
為使編程方便,工件坐標系建立在左右和前后對稱中心線的交點上,Z軸0點在工件上表面。
2.基點坐標計算
3.參考程序
主程序 | |
程序 | 說明 |
O5004 | 主程序名 |
N10 G90 G54 G00 X0 Y-40 | 建立工件坐標系,快速進給至下刀位置A點(圖5-24) |
N20 M03 S500 | 啟動主軸 |
N30 Z50 M08 | 主軸到達安全高度,同時打開冷卻液 |
N40 Z10 | 接近工件 |
N50 G01 Z-4.8 F120 | Z向下刀 |
N60 M98 P5011 D01 | 調用子程序粗加工零件輪廓,D01=8.3 |
N70 G00 Z50 M09 | Z向抬刀并關閉冷卻液 |
N80 M05 | 主軸停 |
N90 G91 G00 Y200 | Y軸工作臺前移,便于測量 |
N100 M00 | 程序暫停,進行測量 |
N110 G54 G90 G00 Y0 | Y軸返回 |
N120 M03 S600 | 啟動主軸 |
N130 Z50 M08 | 刀具到達安全高度并開啟冷卻液 |
N140 Z10 | 接近工件 |
N150 G01 Z-5 F90 | Z向下刀 |
N160 M98 P5011 D02 | 調用子程序零件輪廓精加工 D02=8 |
N170 G00 Z50 M09 | 刀具到達安全高度,并關閉冷卻液 |
N180 M05 | 主軸停 |
N190 M30 | 主程序結束 |
備注:如四個角落有殘留,可手動切除。 | |
子程序 | |
程序 | 說明 |
N10 O5011 | 子程序名 |
N20 G41 G01 X20 | 建立刀具半徑補償,A→B(圖5-24) |
N30 G03 X0 Y-20 R20 | 圓弧切向切入B→C |
N40 G01 X-20 Y-20 | 走直線C→D |
N50 X-30 Y-10 | 走直線D→E |
N60 Y10 | 走直線E→F |
N70 G03 X-20 Y20 R10 | 逆圓插補F→G |
N80 G01 X20 | 走直線G→H |
N90 G03 X30 Y10 R10 | 逆圓插補H→I |
N100 G01 Y-10 | 走直線I→J |
N110 X20 Y-20 | 走直線J→K |
N120 X0 | 走直線K→C |
N130 G03 X-20 Y-40 R20 | 圓弧切向切出C→L |
N140 G40 G00 X0 | 取消刀具半徑補償,L→A |
N150 M99 | 子程序結束 |
布置作業
加工如圖所示零件凸臺外輪廓(單件生產),毛坯為96mm×80mm×20mm長方塊(其余面已經加工),材料為45鋼。

輪廓加工