一、機械水平產生的誤差
1.誤差分析
由于校園機床沒有依照要求進行固定,或機器雖然調整過水平,可是由于長時間的實習和運用,不免產生必定的差錯,很可能會形成加工的資料直徑方向尺寸越來越大或許越來越小。一起由于數控加工是一刀成形,假如滿意前端的值,則后端的值就偏大;假如滿意后端的值,則前端的值就偏小。
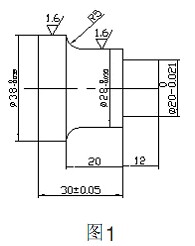
如圖,實際測得零件的直徑(預留O.SOmm的余量)分別是20.52mm,28.54mm,3856mm(分別超差0.02mm,0.04mm,0.06mm)、如果按照補償加工的話,精加工向卜補償0.04mm,則cp28的外圓正好,cp38的外圓還大0.02mm)如果滿足后端,則前面的所有的都會超差、

2.誤差消除的方法
(1)機械消除誤差的方法:進行正常的調節水平。
(2)對于平時的加工實習,實習老師要經常注意消除誤差,但是不可能經常去調節水平,一般都是在指定的大修時間采取修理的方式、所以可以通過修改程序來改變誤差、上述三個外徑偏差是0.02mm , 0.04mm , 0.06mm ,根據情況,我們修改數控精加工程序,在原有的數控程序中cp28 , cp38處將加工值適當減小,滿足要求、
GO1X20
GOlz-12
GO1X28(改成X27.98 )
GOlx38(改成X38.96 )
這樣精加工時0.52mm就可以保證前后一次加工到位、
二、泛杠副間隙產生的誤差
1.誤差分析
對與普通車床泛杠副間隙是必然存在的,一般普通車床的間隙比較大〔)但是數控機床采用的滾珠泛杠副,并進行預緊、理論上達到了零間隙和無反向誤差、但是對于實際情況卜,誤差不可避免,我曾經親自參與機床的間隙調整,有的間隙可以達到0.02mm的誤差、對于質量較好的滾珠泛杠,一般通過預緊可以達到0.01mm的級別 如果需要更高的精度修正 則通過專用的測量儀進行螺補修正
2.誤差消除方法
(1)對于精度要求的在0.001 mm以上級別的加工,要使用專用的測量儀進行螺距補償測量,并在參數中進行補償〔)對于精度要求不高的加工,可以進行機械預緊〔)
(2)程序消除的方法很簡單,基木原理就是在同一位置可采用多退回(或前進)一段距離,再前進(或退回)到所需的加工位置,使泛杠副始終以同一個側面相接觸來消除泛杠副間隙誤差〔)刀具的加工路線如圖2所示,默認的走刀路線為1-2-}3 ,但是為了減少泛杠副間隙產生的誤差,,可以采用1-2-}4-}2-}3、這樣的間隙誤差較小,一般能滿足實際要求、這樣可避免采用機械方法來減少間隙而帶來的阻力增大和調整困難等問題、

三、刀尖圓弧引起的誤差
1.誤差分析
數控車床是按車刀刀尖對刀的,在實際加工中,產生磨損及精加工時車刀刀尖磨成半徑不大的圓弧刀的刀尖不可能絕對尖,總有一個小圓弧,所以對刀尖的位置是一個假想刀尖『,如圖所示,編程時是按假想刀尖軌跡編程,即工件輪廓與假想刀尖『重合,車削時實際起作用的切削刃卻是圓弧各切點.這樣就引起加工表面形狀誤差、

2.誤差解決方法
采用G41/G42編程,并且使用合理的刀位號進行編程,這類編程在原有的程序中加入了G41/G42并且設置刀具半徑補償為R值,即可完成加工、注明G41,G42在G71/G72循環過程中不執行,跳步執行過程中才執行〔)為了防i1一中途意外結束,開始時執行G40,取消刀補、
編制程序如卜:
NO10 G99GOOX100Z100T0101
N020 G40M03S600
N30/G71 U2R0.5
N40/G71 PSOQ220U0.5 WO.SF0.2(采用/可有效的簡化編寫
過程)
N50 G42 GOX19
N220G40 GOX45;
N230GOX100Z100
N240M30
注意在編寫的過程中有刀補位置的設置,可以參考圖4進行設置、


根據車刀的形狀確定位置參數,數控車削使用的刀具有很多種,不同類型的車刀其刀尖圓弧所處的位置不同,如圖所示〔)將車刀的形狀和位置用刀尖方位參數T來表示,A點為假象的刀尖點,刀尖方位參數共有8個(n -g) >當使用刀尖圓弧中心編程時,可以選用?;?/span>9})圖(a)為刀架前置的數控車床假象刀尖的位置;圖((b)為刀架后置的數控車床假象刀尖的位置、
四、結語
在數控實習教學中,教師應該對照尺寸仔細測量〔)如果出現誤差,一般通過刀具補償即可以消除,達到練習和考工的目的、同時合理編制和修改相應的程序也是作為一個合格的數控工人必須掌握的技能〔)每年的數控技能大賽,也經常會碰到誤差的問題〔)如果要很好地完成比賽任務,學生就必須注意這樣的幾個問題,首先進入比賽之前,經常有巧分鐘可以給你機床準備時間,有必要的話可以進行相關的調整,其次在比賽過程中一旦碰到機床的問題,就要靈活地采用以上方法進行調整〔)通過合理的選擇編程的方法,我們一定能夠有效地消除系統誤差帶來的影響、
本文由 伯特利數控文章 整理發表,文章來自網絡僅參考學習,本站不承擔任何法律責任。
2024-11
本文以組合式六角亭模型為實例,分析工藝難點與加工可行性,指出該模型的加工難點是模型形狀不規則和整體剛性差,并通過設計新的工藝方案解決加工難點,完成了模型整體的加工。新的加工工藝有助于提高加工效率和精度,為五軸數控加工提供了一個典型案例,對于五軸加工中心數控加工也具有指導作用和重要… [了解更多]
2024-11
宇匠數控 備注:為保證文章的完整度,本文核心內容由PDF格式顯示,如未有顯示請刷新或轉換瀏覽器嘗試,手機瀏覽可能無法正常使用!本文摘要:通過對混聯五軸加工中心自適應深度學習控制方法的 研 究,可 知 此 方 法 的 創 新 之 處 在 于:1)建 立 了 機 床 的 運 動 學 … [了解更多]
2024-11
宇匠數控 備注:為保證文章的完整度,本文核心內容由PDF格式顯示,如未有顯示請刷新或轉換瀏覽器嘗試,手機瀏覽可能無法正常使用!本文摘要:1)本文建立了基于轉角向量和雙弦弓高的局部能量光順算法,該方法以刀心點光順前后最大許用偏移量作為約束,通過計算拐角處微小線段局部能量最優解,可使… [了解更多]
2024-11
在機測量技術由于其成本低、檢測效率高、無需二次裝夾等優勢被廣泛用于零件加工測量當中,使得五軸加工中心和五軸鉆攻中心,同時又兼具測量功能。在機測量系統的構成如圖1所示,硬件部分主要是由高精度探頭、信號接收器、機床整個本體,軟件部分由機床控制系統、測量軟件等組成[8]。待零件加工完成… [了解更多]